Craftsman Weed Wacker Fuel Line Diagram . The main fuel line and the return fuel line. The craftsman weed eater fuel line diagram typically shows the path of the two fuel lines:
        
         
         
        Craftsman Weedwacker Fuel Line Diagram General Wiring Diagram from galvinconanstuart.blogspot.com 
     
        
        The main fuel line brings fuel from the fuel tank to the. When replacing or repairing the fuel lines in your craftsman 25cc weed eater, it is essential to follow the correct routing as depicted in the fuel line diagram. Need a fuel line diagram for the craftsman 33cc weedwacker?
    
    	
            
	
		
	 
           
    Craftsman Weedwacker Fuel Line Diagram General Wiring Diagram 
    	
    The craftsman 32cc weedwacker fuel line diagram provides a visual representation of the fuel line’s route and connection points. The main fuel line and the return fuel line. When replacing or repairing the fuel lines in your craftsman 25cc weed eater, it is essential to follow the correct routing as depicted in the fuel line diagram. Each fuel line should be.
    	
	
		
	 
 
    
         
         
        Source: mungfali.com 
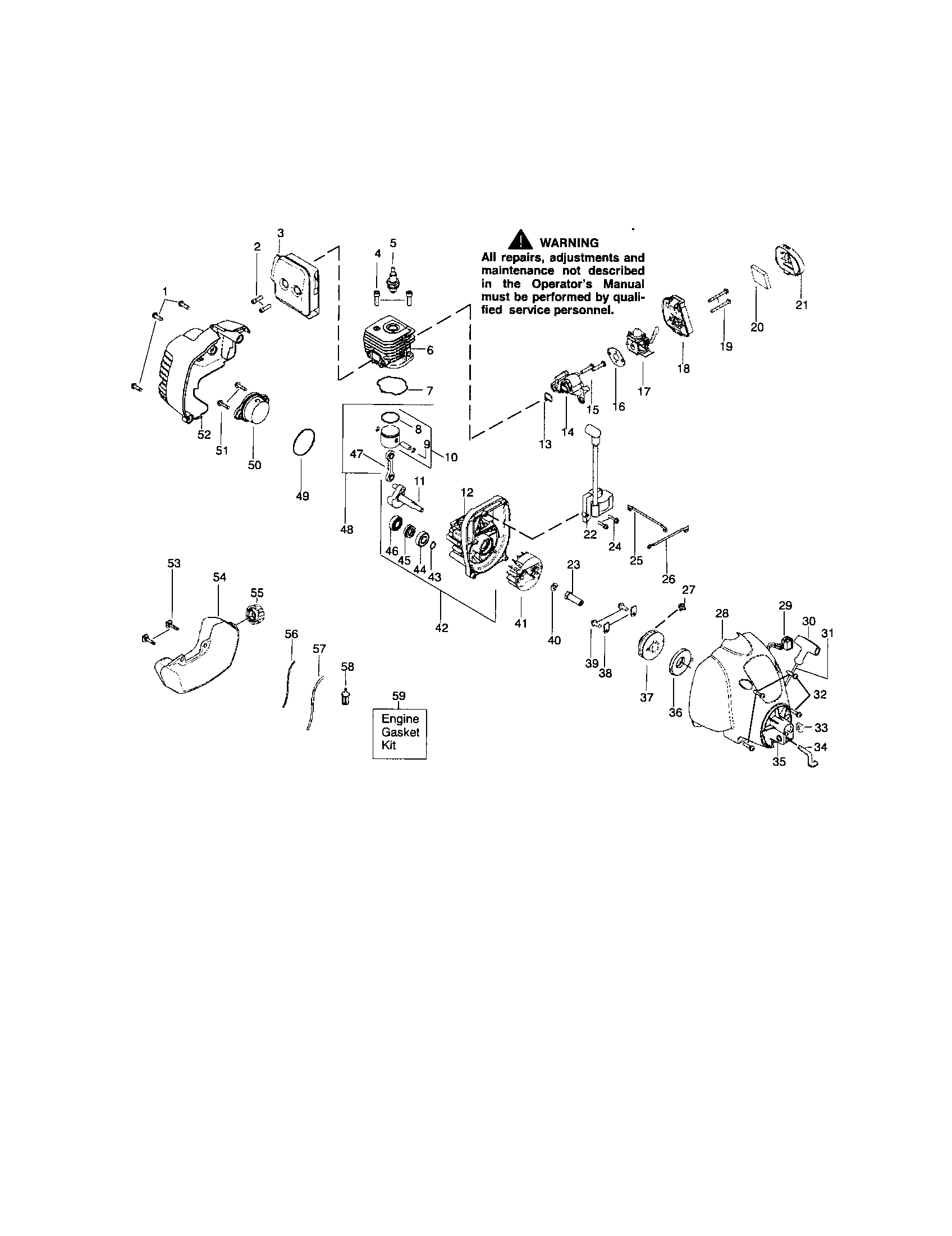
                    Craftsman Weed Wacker Fuel Line Diagram - The main fuel line and the return fuel line. The main fuel line brings fuel from the fuel tank to the. The craftsman 32cc weedwacker fuel line diagram provides a visual representation of the fuel line’s route and connection points. Learn how to clean and replace the carburetor and fuel line on a craftsman weedeater 32cc. Each fuel line should.
     
    
         
         
        Source: elecdiags.com 
                    Craftsman Weed Wacker Fuel Line Diagram - Need a fuel line diagram for the craftsman 33cc weedwacker? Each fuel line should be. When replacing or repairing the fuel lines in your craftsman 25cc weed eater, it is essential to follow the correct routing as depicted in the fuel line diagram. Keep your equipment running smoothly with this helpful guide. Watch this video to learn how to replace.
     
    
         
         
        Source: diagramweb.net 
                    Craftsman Weed Wacker Fuel Line Diagram - Learn how to clean and replace the carburetor and fuel line on a craftsman weedeater 32cc. Keep your equipment running smoothly with this helpful guide. When replacing or repairing the fuel lines in your craftsman 25cc weed eater, it is essential to follow the correct routing as depicted in the fuel line diagram. Need a fuel line diagram for the.
     
    
         
         
        Source: wirelistetiquette.z13.web.core.windows.net 
                    Craftsman Weed Wacker Fuel Line Diagram - Watch this video to learn how to replace the fuel line in your grass trimmer, weed eater or. Each fuel line should be. Learn how to clean and replace the carburetor and fuel line on a craftsman weedeater 32cc. Keep your equipment running smoothly with this helpful guide. The main fuel line brings fuel from the fuel tank to the.
     
    
         
         
        Source: schematron.org 
                    Craftsman Weed Wacker Fuel Line Diagram - The craftsman 32cc weedwacker fuel line diagram provides a visual representation of the fuel line’s route and connection points. Learn how to clean and replace the carburetor and fuel line on a craftsman weedeater 32cc. When replacing or repairing the fuel lines in your craftsman 25cc weed eater, it is essential to follow the correct routing as depicted in the.
     
    
         
         
        Source: mungfali.com 
                    Craftsman Weed Wacker Fuel Line Diagram - Need a fuel line diagram for the craftsman 33cc weedwacker? Learn how to clean and replace the carburetor and fuel line on a craftsman weedeater 32cc. It typically shows the fuel tank, carburetor, and primer. The craftsman 32cc weedwacker fuel line diagram provides a visual representation of the fuel line’s route and connection points. Each fuel line should be.
     
    
         
         
        Source: galvinconanstuart.blogspot.com 
                    Craftsman Weed Wacker Fuel Line Diagram - The craftsman 32cc weedwacker fuel line diagram provides a visual representation of the fuel line’s route and connection points. Replace weed eater fuel lines (craftsman) hnx media. Keep your equipment running smoothly with this helpful guide. The craftsman weed eater fuel line diagram typically shows the path of the two fuel lines: Learn how to clean and replace the carburetor.
     
    
         
         
        Source: wiringdiagram99.blogspot.com 
                    Craftsman Weed Wacker Fuel Line Diagram - The craftsman weed eater fuel line diagram typically shows the path of the two fuel lines: Keep your equipment running smoothly with this helpful guide. It typically shows the fuel tank, carburetor, and primer. Each fuel line should be. When replacing or repairing the fuel lines in your craftsman 25cc weed eater, it is essential to follow the correct routing.
     
    
         
         
        Source: modernizemodest1712.blogspot.com 
                    Craftsman Weed Wacker Fuel Line Diagram - The craftsman weed eater fuel line diagram typically shows the path of the two fuel lines: The main fuel line brings fuel from the fuel tank to the. Keep your equipment running smoothly with this helpful guide. Need a fuel line diagram for the craftsman 33cc weedwacker? Learn how to clean and replace the carburetor and fuel line on a.
     
    
         
         
        Source: www.digitalwaze.com 
                    Craftsman Weed Wacker Fuel Line Diagram - The main fuel line brings fuel from the fuel tank to the. The craftsman weed eater fuel line diagram typically shows the path of the two fuel lines: The craftsman 32cc weedwacker fuel line diagram provides a visual representation of the fuel line’s route and connection points. It typically shows the fuel tank, carburetor, and primer. Learn how to clean.
     
    
         
         
        Source: repairprocedure.netlify.app 
                    Craftsman Weed Wacker Fuel Line Diagram - Watch this video to learn how to replace the fuel line in your grass trimmer, weed eater or. The main fuel line brings fuel from the fuel tank to the. The craftsman weed eater fuel line diagram typically shows the path of the two fuel lines: The main fuel line and the return fuel line. Keep your equipment running smoothly.
     
    
         
         
        Source: guidewiringgregories.z14.web.core.windows.net 
                    Craftsman Weed Wacker Fuel Line Diagram - It typically shows the fuel tank, carburetor, and primer. Learn how to clean and replace the carburetor and fuel line on a craftsman weedeater 32cc. Keep your equipment running smoothly with this helpful guide. The craftsman weed eater fuel line diagram typically shows the path of the two fuel lines: The main fuel line brings fuel from the fuel tank.
     
    
         
         
        Source: mungfali.com 
                    Craftsman Weed Wacker Fuel Line Diagram - It typically shows the fuel tank, carburetor, and primer. The main fuel line brings fuel from the fuel tank to the. Keep your equipment running smoothly with this helpful guide. Replace weed eater fuel lines (craftsman) hnx media. The main fuel line and the return fuel line.
     
    
         
         
        Source: mungfali.com 
                    Craftsman Weed Wacker Fuel Line Diagram - Each fuel line should be. Keep your equipment running smoothly with this helpful guide. The craftsman 32cc weedwacker fuel line diagram provides a visual representation of the fuel line’s route and connection points. Watch this video to learn how to replace the fuel line in your grass trimmer, weed eater or. When replacing or repairing the fuel lines in your.
     
    
         
         
        Source: mungfali.com 
                    Craftsman Weed Wacker Fuel Line Diagram - Keep your equipment running smoothly with this helpful guide. Each fuel line should be. Replace weed eater fuel lines (craftsman) hnx media. Watch this video to learn how to replace the fuel line in your grass trimmer, weed eater or. Learn how to clean and replace the carburetor and fuel line on a craftsman weedeater 32cc.
     
    
         
         
        Source: mungfali.com 
                    Craftsman Weed Wacker Fuel Line Diagram - The main fuel line and the return fuel line. Learn how to clean and replace the carburetor and fuel line on a craftsman weedeater 32cc. Need a fuel line diagram for the craftsman 33cc weedwacker? Keep your equipment running smoothly with this helpful guide. Replace weed eater fuel lines (craftsman) hnx media.
     
    
         
         
        Source: schematron.org 
                    Craftsman Weed Wacker Fuel Line Diagram - The craftsman weed eater fuel line diagram typically shows the path of the two fuel lines: Keep your equipment running smoothly with this helpful guide. Each fuel line should be. The craftsman 32cc weedwacker fuel line diagram provides a visual representation of the fuel line’s route and connection points. The main fuel line and the return fuel line.
     
    
         
         
        Source: errorsolver.netlify.app 
                    Craftsman Weed Wacker Fuel Line Diagram - The craftsman weed eater fuel line diagram typically shows the path of the two fuel lines: Need a fuel line diagram for the craftsman 33cc weedwacker? When replacing or repairing the fuel lines in your craftsman 25cc weed eater, it is essential to follow the correct routing as depicted in the fuel line diagram. Keep your equipment running smoothly with.